![]() |
![]() |
||||||||||||
|
|||||||||||||
![]() |
![]() |
||||||||||||
|
|||||||||||||
![]() |
![]() |
||||||||||||
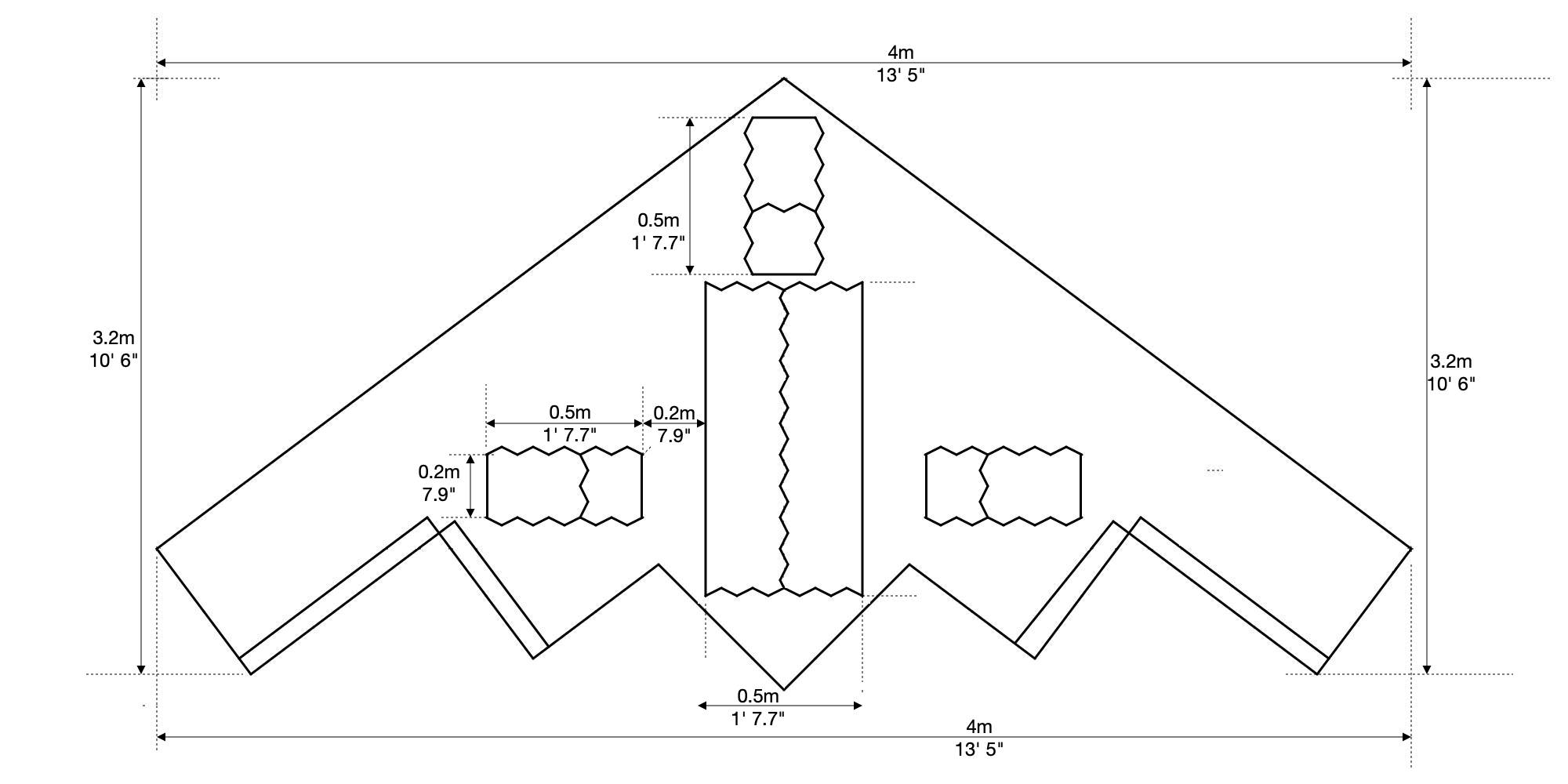
On June 1st, 2025, the Security Service of Ukraine carried out Operation Spiderweb. It was the largest drone attack on Russian air bases up to that point in the war, employing 117 drones to attack 4 air bases. About 20 military aircraft were hit in the attack, ten of which were destroyed. The operation was notable for its unprecedented geographical reach -- spanning five oblasts across five time zones -- particularly the strike on Belaya Air Base in Eastern Siberia which is 4,300 kilometers (2,700 miles) from Ukraine. Operation Spiderweb was the culmination of 18 months of planning. This time was necessary to get all the drones inside Russia and in position near the targeted air bases. It would be of great benefit to the Ukrainian war effort if such an operation could be repeated, but the Russians would not be so easily deceived again. Or would they? ;) Medusa will be an unmanned long-range stealth bomber capable of deploying a swarm of small drones as well as other munitions. This would allow the Ukrainian military ro unleash a swarm attack like Operation Spiderweb frequently, perhaps even daily. Medusa will have a wingspan of about 4 meters, although larger versions may follow the successful deployment of the first version. All munitions will be carried internally in a bomb bay. Possible engines are either a pair of small internal combustion engines driving ducted fans, or a pair of small turbojets. Medusa will include a Starlink transceiver. The flight path can be predetermined or controlled by AI or via Starlink. When deploying a swarm of FPV drones, Medusa may loiter in the area and serve as a Starlink gateway. The goal is for Medusa to have a range of 2200 kilometers (round trip) if loiter time is minimal. This range is sufficient to reach St. Petersburg from Ukraine. Fuel will be carried in the wings. Additional fuel can be carried in the bomb bay reducing munitions capacity.
Click on image to download TIFF file.
Click on image to download TIFF file. ![]() Click on image to view full resolution image.
Click on image to view full resolution image.
Click on image to download TIFF file.
Click on image to download TIFF file. |
|||||||||||||
![]() |
![]() |
||||||||||||
| |||||||||||||